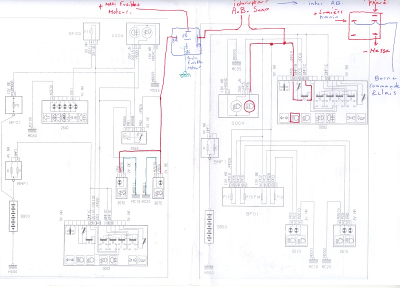
Citroen c15 schema electrique Je veux trouver le matériel nécessaire pour mes travaux electrique pas cher ICI Citroen c15 schema electrique Source google image: http://i39.servimg.com/u/f39/11/09/86/94/numeri10.jpg