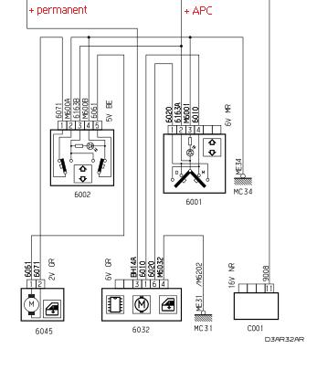
Schema electrique leve vitre valeo Je veux trouver le matériel nécessaire pour mes travaux electrique pas cher ICI Schema electrique leve vitre valeo Source google image: http://images.forum-auto.com/mesimages/505182/principe11.jpg