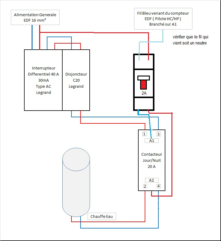
Schema electrique contacteur jour nuit chauffe eau legrand

Schema electrique contacteur jour nuit chauffe eau legrand

Je veux trouver le matériel nécessaire pour mes travaux electrique pas cher ICI Schema electrique contacteur jour nuit chauffe eau legrand

Source google image: https://giacomofacco.com/wp-content/uploads/2018/08/contacteur-jour-nuit-bricoman-elegant-photos-schma-legrand-beautiful-fabulous-coffret-electrique-pr-cabl-legrand-of-contacteur-jour-nuit-bricoman.jpg

Laisser un commentaire

Votre adresse e-mail ne sera pas publiée. Les champs obligatoires sont indiqués avec *